[wd_asp id=7]

Anclaje hembra corto HE-HC

Anclaje hembra corto, homologado ETE para aplicaciones no estructurales en hormigón y en losas alveolares. Apto para cargas altas. Fabricado en acero zincado.

homologaciones y certificados

CódigoMedidaLongitudUds. CajaUds. MasterboxEANInfo. TécnicaComprar
HEHCM08M8 x 25251001.6008423533841216
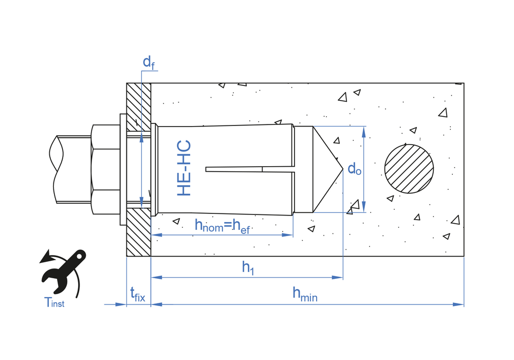
  • df - Ø Elemento a fijar9
  • Tins - Par de apriete (Nm)11
  • hef - Profundidad efectiva25
  • hnom - Profundidad mín. del anclaje25
  • h1 - Profundidad mín. de taladro28
  • d0 - Ø Broca10
  • hmin - Espesor mín. material base80
  • L - Longitud25
HEHCM10M10 x 2525508008423533841223
  • df - Ø Elemento a fijar12
  • Tins - Par de apriete (Nm)17
  • hef - Profundidad efectiva25
  • hnom - Profundidad mín. del anclaje25
  • h1 - Profundidad mín. de taladro28
  • d0 - Ø Broca12
  • hmin - Espesor mín. material base80
  • L - Longitud25
HEHCM12M12 x 2525508008423533841230
  • df - Ø Elemento a fijar14
  • Tins - Par de apriete (Nm)38
  • hef - Profundidad efectiva25
  • hnom - Profundidad mín. del anclaje25
  • h1 - Profundidad mín. de taladro29
  • d0 - Ø Broca15
  • hmin - Espesor mín. material base80
  • L - Longitud25
  • [ANCLAJE HEMBRA CORTO] Anclaje corto de rosca hembra para fijar elementos de cargas medias y altas en hormigón y losas alveolares. Su longitud reducida hace que no alcance la parte hueca de las losas alveolares, asegurando una fijación efectiva.
  • [ANCLAJE HOMOLOGADO] Anclaje homologado según los más altos estándares de calidad. Cuenta con la homologación europea ETA 14/0068, que avala su funcionamiento en aplicaciones no estructurales en hormigón; con marcado CE y homologación de resistencia al fuego. También sigue la norma VdS CEA 4001 para sistemas de rociadores (en modelos de M8 a M20).
  • [ANCLAJE CORTO MUY VERSÁTIL] Se puede emplear en el montaje de techos suspendidos, sistemas de rociadores o en la instalación de tuberías con abrazaderas, entre otros.
  • [FABRICADO EN ACERO ZINCADO] El anclaje está fabricado en acero zincado, un material muy resistente que asegura una buena durabilidad.
  • [VARIEDAD DE MEDIDAS] INDEX A PERFECT FIXING dispone de varias medidas de este taco metálico, entre las que elegir según el tipo de instalación.
...
  • Aparatos de Aire Acondicionado
  • Anclaje techo
  • Barandillas de playa
  • Carpas
  • Estantería industrial
  • Farola
  • Barandillas de balcón
  • Barandillas de madera
HE-HC
icon book
Fichas Técnicas
icon camera
Multimedia
icon table
Declaración de prestaciones
DoP_HE_es_rev4.pdf

productos relacionados

Solicita más información

TÉCNICAS EXPANSIVAS S.L. informa que los datos de carácter personal facilitados de forma voluntaria, cuya finalidad, cesiones previstas y demás circunstancias, se informa en el momento de la recogida de los datos de carácter personal, si bien, según el caso concreto, su finalidad, puede ser alguna de las siguientes, la atención a su solicitud, queja o duda planteada, mantenimiento de la relación establecida, la gestión integral y comercial de clientes, contabilidad y facturación o envío de comunicaciones, incluso por medios electrónicos, de noticias y actividades relacionadas con TÉCNICAS EXPANSIVAS S.L.

Los datos incorporados a nuestros ficheros son absolutamente confidenciales y serán tratados con la máxima confidencialidad y cumpliendo todos los requisitos que obliga el Reglamento General de Protección de Datos (RGPD) de 27 de abril de 2016. Los datos quedarán registrados en nuestros ficheros por el tiempo necesario que dure la motivación para la que fueron recabados. El plazo durante el cual se conservarán los datos personales será aquel que marque la legislación vigente y siempre durante el tiempo que medie en la prestación del servicio para el que fueron comunicados.

Se recomienda no enviar datos personales de nivel alto, según la legislación de protección de datos, como pueden ser los relativos a salud, pues los mismos no viajan cifrados o encriptados. De modo que si VD, los envía será de su exclusiva responsabilidad.

El usuario podrá ejercer en cualquier momento sus derechos para acceder, rectificar, oponerse, cancelarlos, limitar su tratamiento o solicitar su portabilidad con arreglo a lo previsto en el Reglamento General de Protección de Datos (RGPD) de 27 de abril de 2016 enviando una carta a su responsable de tratamiento: Valentín Gómez, Gerente, junto con la fotocopia de su DNI, a TÉCNICAS EXPANSIVAS SL | P.I. La Portalada II | c/ Segador 13, 26006 | Logroño (La Rioja) o a través de la dirección de correo electrónico info@indexfix.com.
Leer más
[wd_asp id=7]
HE-HC

HE-HC

Anclaje hembra con cono interior para grandes cargas

Mostrar distribuidores con stock disponible
Fijaciones metálicas
Fijaciones químicas
Fijaciones plásticas
Fijaciones y accesorios para sistemas de aislamiento térmico (SATE)
Fijaciones para materiales huecos
Remaches
Accesorios para cable, cadena y cercados
Accesorios de emparrado
Vallados y jaulas
Fijaciones y accesorios para placa de yeso
Fijación directa
Tornillos para cubiertas y fachadas
Tornillos broca, rosca chapa y PVC
Tornillos para madera
Puntas, alcayatas y hembrillas
Conectores para madera
Tornillería normalizada
Brocas, puntas y accesorios
Abrazaderas metálicas pesadas
Abrazaderas metálicas ligeras
Sistemas de protección contra incendios
Soportes para canalones
Abrazaderas plásticas
Perfilería y soportación
Sistemas de instalación y fijaciones para paneles solares
Sistemas de fijación rápida en viga
Varilla roscada y accesorios de fijación
Fijación para sanitarios y climatización
Autoservicio

formación técnica

Nuestro departamento de ingeniería pone a tu disposición formaciones específicas y personalizadas en los diferentes temas relacionados con el mundo de la fijación: fijaciones metálicas o químicas, sistemas de instalación, normativas, realización de cálculos…

TÉCNICAS EXPANSIVAS S.L. informa que los datos de carácter personal facilitados de forma voluntaria, cuya finalidad, cesiones previstas y demás circunstancias, se informa en el momento de la recogida de los datos de carácter personal, si bien, según el caso concreto, su finalidad, puede ser alguna de las siguientes, la atención a su solicitud, queja o duda planteada, mantenimiento de la relación establecida, la gestión integral y comercial de clientes, contabilidad y facturación o envío de comunicaciones, incluso por medios electrónicos, de noticias y actividades relacionadas con TÉCNICAS EXPANSIVAS S.L.

Los datos incorporados a nuestros ficheros son absolutamente confidenciales y serán tratados con la máxima confidencialidad y cumpliendo todos los requisitos que obliga el Reglamento General de Protección de Datos (RGPD) de 27 de abril de 2016. Los datos quedarán registrados en nuestros ficheros por el tiempo necesario que dure la motivación para la que fueron recabados. El plazo durante el cual se conservarán los datos personales será aquel que marque la legislación vigente y siempre durante el tiempo que medie en la prestación del servicio para el que fueron comunicados.

Se recomienda no enviar datos personales de nivel alto, según la legislación de protección de datos, como pueden ser los relativos a salud, pues los mismos no viajan cifrados o encriptados. De modo que si VD, los envía será de su exclusiva responsabilidad.

El usuario podrá ejercer en cualquier momento sus derechos para acceder, rectificar, oponerse, cancelarlos, limitar su tratamiento o solicitar su portabilidad con arreglo a lo previsto en el Reglamento General de Protección de Datos (RGPD) de 27 de abril de 2016 enviando una carta a su responsable de tratamiento: Valentín Gómez, Gerente, junto con la fotocopia de su DNI, a TÉCNICAS EXPANSIVAS SL | P.I. La Portalada II | c/ Segador 13, 26006 | Logroño (La Rioja) o a través de la dirección de correo electrónico info@indexfix.com.
Leer más

visitas a obra

La relación con nuestros clientes no finaliza con la venta de nuestros productos. Desde INDEX® entendemos que en muchas ocasiones es necesario un acompañamiento en obra donde nuestra experiencia es la mejor aliada para que todo encaje a la perfección. Nuestros ingenieros y técnicos apoyarán a los responsables de cada proyecto en la planificación y selección de la mejor solución con el fin de ahorrar tiempo y costes de la manera más efectiva.

TÉCNICAS EXPANSIVAS S.L. informa que los datos de carácter personal facilitados de forma voluntaria, cuya finalidad, cesiones previstas y demás circunstancias, se informa en el momento de la recogida de los datos de carácter personal, si bien, según el caso concreto, su finalidad, puede ser alguna de las siguientes, la atención a su solicitud, queja o duda planteada, mantenimiento de la relación establecida, la gestión integral y comercial de clientes, contabilidad y facturación o envío de comunicaciones, incluso por medios electrónicos, de noticias y actividades relacionadas con TÉCNICAS EXPANSIVAS S.L.

Los datos incorporados a nuestros ficheros son absolutamente confidenciales y serán tratados con la máxima confidencialidad y cumpliendo todos los requisitos que obliga el Reglamento General de Protección de Datos (RGPD) de 27 de abril de 2016. Los datos quedarán registrados en nuestros ficheros por el tiempo necesario que dure la motivación para la que fueron recabados. El plazo durante el cual se conservarán los datos personales será aquel que marque la legislación vigente y siempre durante el tiempo que medie en la prestación del servicio para el que fueron comunicados.

Se recomienda no enviar datos personales de nivel alto, según la legislación de protección de datos, como pueden ser los relativos a salud, pues los mismos no viajan cifrados o encriptados. De modo que si VD, los envía será de su exclusiva responsabilidad.

El usuario podrá ejercer en cualquier momento sus derechos para acceder, rectificar, oponerse, cancelarlos, limitar su tratamiento o solicitar su portabilidad con arreglo a lo previsto en el Reglamento General de Protección de Datos (RGPD) de 27 de abril de 2016 enviando una carta a su responsable de tratamiento: Valentín Gómez, Gerente, junto con la fotocopia de su DNI, a TÉCNICAS EXPANSIVAS SL | P.I. La Portalada II | c/ Segador 13, 26006 | Logroño (La Rioja) o a través de la dirección de correo electrónico info@indexfix.com.
Leer más

SERVICIOS DE INGENIERÍA Y REALIZACIÓN DE CÁLCULOS

TÉCNICAS EXPANSIVAS S.L. informa que los datos de carácter personal facilitados de forma voluntaria, cuya finalidad, cesiones previstas y demás circunstancias, se informa en el momento de la recogida de los datos de carácter personal, si bien, según el caso concreto, su finalidad, puede ser alguna de las siguientes, la atención a su solicitud, queja o duda planteada, mantenimiento de la relación establecida, la gestión integral y comercial de clientes, contabilidad y facturación o envío de comunicaciones, incluso por medios electrónicos, de noticias y actividades relacionadas con TÉCNICAS EXPANSIVAS S.L.

Los datos incorporados a nuestros ficheros son absolutamente confidenciales y serán tratados con la máxima confidencialidad y cumpliendo todos los requisitos que obliga el Reglamento General de Protección de Datos (RGPD) de 27 de abril de 2016. Los datos quedarán registrados en nuestros ficheros por el tiempo necesario que dure la motivación para la que fueron recabados. El plazo durante el cual se conservarán los datos personales será aquel que marque la legislación vigente y siempre durante el tiempo que medie en la prestación del servicio para el que fueron comunicados.

Se recomienda no enviar datos personales de nivel alto, según la legislación de protección de datos, como pueden ser los relativos a salud, pues los mismos no viajan cifrados o encriptados. De modo que si VD, los envía será de su exclusiva responsabilidad.

El usuario podrá ejercer en cualquier momento sus derechos para acceder, rectificar, oponerse, cancelarlos, limitar su tratamiento o solicitar su portabilidad con arreglo a lo previsto en el Reglamento General de Protección de Datos (RGPD) de 27 de abril de 2016 enviando una carta a su responsable de tratamiento: Valentín Gómez, Gerente, junto con la fotocopia de su DNI, a TÉCNICAS EXPANSIVAS SL | P.I. La Portalada II | c/ Segador 13, 26006 | Logroño (La Rioja) o a través de la dirección de correo electrónico info@indexfix.com.
Leer más